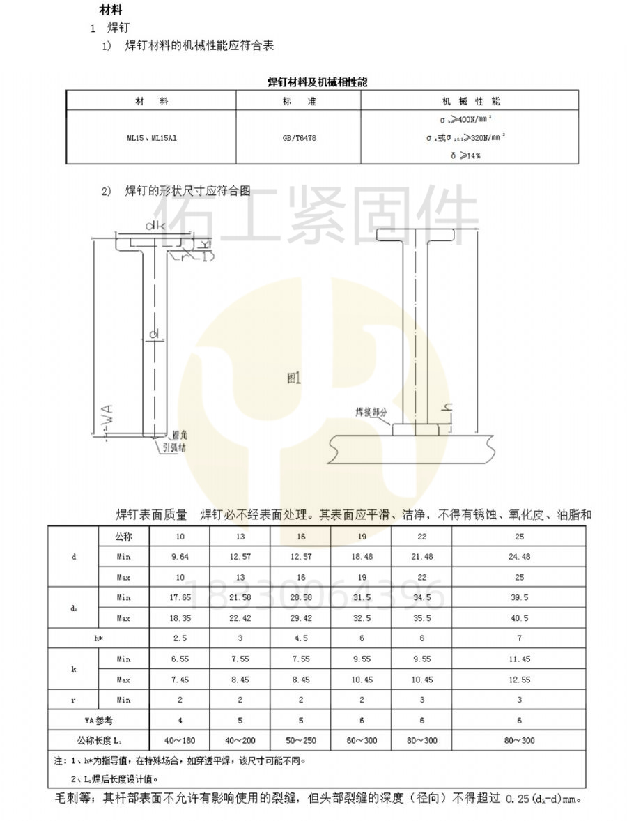
主要产品:焊钉、栓钉 剪力钉 圆柱头焊钉钢结构螺栓

专注钢结构产品系列钢结构配件系列产品专业供应商

18330064396

您的位置: 首页 > 行业资讯

咨询热线

18330064396

电弧螺柱焊用螺柱和瓷环标准对比分析:GB/T 10433-2024 vs ISO 13918 vs GB/T 10433-2002

浏览次数:384 发布时间:2025-12-28

电弧螺柱焊用螺柱和瓷环标准对比分析:GB/T 10433-2024 vs ISO 13918 vs GB/T 10433-2002

GB/T 10433-2024《紧固件 电弧螺柱焊用螺柱和瓷环》作为现行国家标准,整合了7项旧国标并修改采用ISO 13918:2017,实现了与国际标准的高度协调。该标准在材料控制、产品范围、尺寸公差、性能指标等方面均有显著升级,特别是新增了CEV碳当量限制、ND型绝缘针、焊后弯曲试验等关键要求,同时扩展了直径范围并优化了尺寸表达方式。与旧版GB/T 10433-2002相比,新国标覆盖的产品类型从单一的SD型剪力钉扩展到12种螺柱型式,技术要求更加全面系统;与ISO 13918:2017相比,新国标在材料量化控制和工艺细节上更为严格,但在核心产品范围和设计原则上保持一致。

O1CN01ag5z1I1mEmXnliXv3_!!2200709204923-0-cib.jpg

一、标准背景与演变历程

GB/T 10433标准自1989年首次发布,经历了多次修订。2002年版GB/T 10433-2002主要针对SD型圆柱头焊钉,适用于土木建筑工程中的抗剪件、埋设件及锚固件,非等效采用ISO 13918:1998  。而现行的GB/T 10433-2024于2024年9月29日发布,2025年4月1日正式实施,整合了7项旧国标:GB/T 902.2-2010、GB/T 902.3-2008、GB/T 902.4-2010、GB/T 10432.1-2010、GB/T 10432.2-2016、GB/T 10432.3-2010和GB/T 10433-2002 。这一整合修订响应了国家标准化改革政策,旨在统一技术要求,便于读者使用,同时与国际标准ISO 13918:2017更加协调 

ISO 13918标准同样经历了多次修订,从1998年的初版发展到2017年版本,再到2021年的修改件1。ISO 13918:2017《焊接 电弧螺柱焊用螺柱和瓷环》是国际标准化组织(ISO)制定的最新版本,覆盖了多种螺柱和瓷环类型,为全球电弧螺柱焊行业提供了统一的技术规范  微信搜索公众号:佑工紧固件    紧固件知识全知道

焊钉标准.jpg

二、材料要求对比分析

GB/T 10433-2024引入了CEV碳当量≤0.38的关键限制,这是旧版标准和ISO 13918:2008均未明确规定的指标。这一要求直接提升了螺柱的焊接性能,减少了热影响区裂纹的风险,体现了新国标在材料控制上的严格性  

标准

碳当量(CEV)要求

材料分类

材料组合方式

化学成分引用标准

GB/T 10433-2024

≤0.38(新增) [5]

SD3、PT、UT、IT等 [5]

允许两种材料摩擦焊接组合 [5]

GB/T 3098.1、ISO 15510、ISO/TR 15608 [8]

ISO 13918:2017

未直接规定

SD3、PT、UT、IT等

未明确

ISO 898-1、ISO 3506-1等 

GB/T 10433-2002

未规定

SD型

不允许组合

GB/T 3098.1-2000、GB/T 6478-2001 

新国标整合了ISO 15510(SD3材料)和ISO/TR 15608(PT/UT/IT材料),扩展了材料适用范围,使标准不仅限于碳钢,还涵盖了不锈钢、低合金钢等多种材料 。这一变化显著提升了标准的适用性和国际协调性,使中国标准与国际标准在材料分类上保持一致。

在材料组合方式上,GB/T 10433-2024明确允许螺柱由两种不同材料通过摩擦焊接组合(如头部为低碳钢,杆部为高强度钢),而旧版标准和ISO 13918:2008均未提及此技术,这为特殊工况下的螺柱应用提供了更灵活的解决方案  

ISO 13918-2008(1)_translated_20.jpg


三、产品覆盖范围对比

GB/T 10433-2024整合了7项旧国标,将产品覆盖范围从单一的SD型剪力钉扩展到12种螺柱型式,实现了对电弧螺柱焊全系列产品的一体化规范 。这一扩展显著提升了标准的全面性和实用性。

标准

覆盖的螺柱类型

覆盖的瓷环类型

直径范围

整合旧标准数量

GB/T 10433-2024

FD、MD、PD、RD、UD、SD、PS、US、IS、PT、UT、IT等12种

UF、MF、PF、RF、DF等

6~24mm(含小规格)

7项(包括GB/T 902.2-2010、GB/T 10432.1-2010等)

ISO 13918:2017

FD、MD、PD、RD、UD、SD、PS、US、IS、IT、UT、PT等12种

PF、UF等

6~24mm

未整合其他标准

GB/T 10433-2002

SD型剪力钉

B1、B2型瓷环 

10~25mm 

仅自身

ISO 13918:2017与新国标在核心螺柱类型上保持一致,包括全螺纹螺柱(FD)、近全螺纹螺柱(MD)、部分螺纹螺柱(PD)、带缩杆螺纹螺柱(RD)、无头焊钉(UD)、剪力钉(SD)、带法兰螺纹螺柱(PS)、短周期螺纹螺柱(US)、内螺纹螺柱(IS)、不锈钢螺柱(IT)、低合金钢螺柱(UT)和碳钢螺柱(PT)等12种 新国标新增了ND型绝缘针,这是ISO 13918:2017未明确包含的类型,属于中国标准对特殊应用场景的补充  

在直径范围上,新国标扩展了下限,覆盖6~24mm的公称直径,而旧版GB/T 10433-2002仅限于10~25mm的SD型剪力钉  。这一扩展使标准能够满足更多细分市场的需求,特别是在小型钢结构连接方面的应用。

ISO 13918-2008(1)_translated_35.jpg

四、尺寸公差变化分析

GB/T 10433-2024在尺寸公差方面进行了系统优化,从单向负公差改为双向对称公差,分段控制长度公差,并引入公式化表达头部尺寸,显著提升了产品的精度和一致性要求  

新国标对杆径公差的要求更加严格,采用±0.4mm的双向对称公差,取代了旧版GB/T 10433-2002的单向负偏差(h14,对应公差-0.14mm)  。这一变化意味着制造过程中对尺寸的控制更为严格,减少了产品尺寸波动的可能性,提高了焊接质量和可靠性。

在长度公差方面,新国标采用了分段控制策略:≤100mm时±1.5mm,>100mm时±2.0mm。而旧版GB/T 10433-2002未明确分段要求,可能统一为±2mm的公差 ISO 13918:2017与新国标在长度公差分段要求上保持一致,体现了国际标准与新国标的高度协调  

对于头部尺寸,新国标引入了公式化表达(k= y+2P,P为螺距)和明确的公差(±0.5mm),取代了旧版仅规定最小值的模糊要求  。这一变化使头部尺寸的设计更加科学规范,有利于提高焊接质量和稳定性。

标准

杆径公差

长度公差

头部直径dk公差

头部高度k表达方式

GB/T 10433-2024

±0.4mm(双向) 

≤100mm时±1.5mm>100mm时±2.0mm 

±0.5mm 

公式化(k= y+2P) 

ISO 13918:2017

±0.4mm(双向) 

≤100mm时±1.5mm>100mm时±2.0mm 

±0.5mm 

公式化(k= y+2P) 

GB/T 10433-2002

单向负偏差(h14) 

±2mm(统一) 

最小值要求 

未公式化表达 

新国标还调整了部分符号表达,如将”y”改为”y+2P”(见表5和表6),将D6列中的”b”改为”b+2P”(见表9),将表13中的”bmin”改为”bmin+2P”(见表13),以及将表16中的”b”改为”bmin+2P”(见表16)  。这些调整使尺寸表达更加科学规范,便于设计和制造过程中的理解和应用。

此外,新国标将dk(头部直径)和h4(焊缝高度)等标记为参考尺寸(非验收依据),而旧版标准未区分参考尺寸与验收尺寸 。这一变化有助于明确设计参考与实际验收的标准,避免了不必要的误解和争议。

ISO 13918-2008(1)_translated_28.jpg

五、性能指标升级与检验方法

GB/T 10433-2024在性能指标方面进行了全面升级,新增了CEV碳当量限制、断后伸长率要求和焊后弯曲试验,同时整合了分散在旧标准中的检验规则,形成了更加系统规范的检验方法体系  

新国标明确要求螺柱的碳当量(CEV)≤0.38,这是旧版标准和ISO 13918:2008均未明确规定的指标  。这一要求直接提升了螺柱的焊接性能,减少了热影响区裂纹的风险,对于需要高强度连接的应用场景尤为重要。

在材料性能方面,新国标新增了符合ISO 15510的SD3用材料和符合ISO/TR 15608的PT、UT、IT用材料  。这扩展了材料适用范围,使标准不仅限于碳钢,还涵盖了不锈钢、低合金钢等多种材料,满足了不同应用场景的需求。

新国标新增了抗剪螺柱焊接后性能和试验方法(附录A),要求螺柱焊接后弯曲30°无可见裂纹 。这一要求在旧版标准和ISO 13918:1998中均未提及,属于新国标的重要创新。弯曲试验能够暴露焊缝中的微观缺陷,如未熔合、夹渣等问题,有效评估焊接接头的塑性变形能力和整体质量 

在检验方法上,新国标增加了硬度测试(维氏硬度HV)的要求,而旧版GB/T 10433-2002未明确硬度测试方法  。这一变化使材料性能评估更加全面,不仅关注强度指标,还考虑了材料的硬度特性,为螺柱应用提供了更全面的性能保障。

对于瓷环的使用前处理,新国标规定必须经150℃×2h烘烤,去除水分防气孔。而旧版GB/T 10433-2002未明确烘烤温度,可能允许更低温度或自然干燥 。这一变化反映了新国标对焊接质量控制的严格要求,确保了焊接过程的稳定性和焊缝质量。

焊钉施工工艺流程.png

六、国际接轨程度评估

GB/T 10433-2024修改采用ISO 13918:2017,实现了与国际标准的高度协调,但在材料量化控制和工艺细节上更为严格。这一协调性有利于中国企业在国际市场的竞争,同时保持了标准的本土化特色。

在修改采用过程中,新国标进行了结构调整和内容调整。结构调整方面,5.1对应ISO 13918:2017中的5.3.1,5.2对应ISO 13918:2017中的5.3.2,5.3对应ISO 13918:2017中的5.3.3;表19对应ISO 13918:2017中的表18;10.2对应ISO 13918:2017中的10.2和10.3,10.2.1对应ISO 13918:2017中的10.2,10.2.2对应ISO 13918:2017中的10.3 。这些结构调整使标准在内容组织上更加符合国际标准的框架,便于国际交流和应用。

技术差异方面,新国标增加了对机械加工试件的断后伸长率、瓷环内径等符号的规定,删除了与技术要求关联度不大的5.1订购信息、5.2危险物质和5.4耐久性,用中国标准替换了部分国际标准(如GB/T 3098.1替换了ISO 898-1,GB/T 16672替换了ISO 6947) 。这些技术差异反映了中国标准的本土化需求和工艺特点,同时也保持了与国际标准的核心协调性。

在材料控制上,新国标直接量化CEV碳当量≤0.38,而ISO 13918:2017未明确此指标,但通过引用ISO 15510和ISO/TR 15608间接要求材料需符合焊接性能标准 。这一差异体现了新国标在材料量化控制上的严格性,同时也与国际标准保持了技术上的等效性。

对于瓷环烘烤温度,新国标规定150℃×2h,而ISO 13918:2017未明确烘烤温度,仅要求瓷环保持干燥  。这一差异反映了新国标对工艺细节的严格要求,确保了焊接质量的稳定性和可靠性。

在螺柱类型上,新国标与ISO 13918:2017在核心类型上保持一致,包括FD、MD、PD、RD、UD、SD、PS、US、IS、IT、UT和PT等12种 新国标新增了ND型绝缘针,这是ISO 13918:2017未明确包含的类型,属于中国标准对特殊应用场景的补充  。这一差异不影响标准的核心协调性,但在具体应用中需要注意。

焊接过程中焊钉的融化量.png

七、应用建议与实施路径

基于GB/T 10433-2024与ISO 13918和GB/T 10433-2002的差异性分析,建议企业在标准实施过程中采取以下策略

首先,企业应全面评估现有生产体系与新国标的要求差距,特别是材料碳当量(CEV)的控制、尺寸公差的调整和检验方法的更新。对于出口产品,需特别关注与ISO 13918:2017的协调性,确保产品符合国际市场的技术要求。

其次,企业应加强材料管理,确保使用的材料符合新国标的要求。特别是对于碳当量(CEV)的控制,企业需要建立有效的质量控制体系,确保材料性能稳定可靠。对于需要摩擦焊接组合的螺柱,企业应制定严格的工艺规范,确保组合材料的焊接质量和性能稳定性。

第三,企业应更新生产设备和工艺参数,适应新国标更严格的尺寸公差要求。特别是对于杆径公差(±0.4mm)和长度公差(分段控制)的变化,企业需要调整加工工艺和检测方法,确保产品符合新标准的要求。同时,企业应加强员工培训,提高操作人员的技能水平和质量意识。

第四,企业应建立完善的检验体系,特别是焊后弯曲试验(30°无可见裂纹)的实施  。这一试验能够有效评估焊接接头的质量,确保螺柱在实际应用中的可靠性和安全性。企业应配置必要的检测设备,制定详细的检测流程,确保检验结果的准确性和可靠性。

最后,企业应关注标准的实施时间节点(2025年4月1日),合理安排过渡期的生产计划,确保在标准实施前完成必要的调整和准备工作。对于库存的旧标准产品,企业应制定合理的销售和使用计划,避免在标准实施后出现合规性问题。

焊钉材质力学性能.png

八、总结与展望

GB/T 10433-2024作为现行国家标准,通过整合7项旧国标并修改采用ISO 13918:2017,在材料控制、产品范围、尺寸公差和性能指标等方面均实现了显著升级。这一升级不仅提升了标准的全面性和系统性,也增强了与国际标准的协调性,有利于中国企业在国际市场的竞争和产品出口。

与旧版GB/T 10433-2002相比,新国标覆盖的产品类型从单一的SD型剪力钉扩展到12种螺柱型式,实现了对电弧螺柱焊全系列产品的一体化规范 。同时,新国标引入了CEV碳当量限制、焊后弯曲试验等关键要求,显著提升了产品的焊接性能和质量稳定性 

ISO 13918:2017相比,新国标在材料量化控制和工艺细节上更为严格,但在核心产品范围和设计原则上保持一致 。这一协调性有利于中国标准与国际标准的对接和互认,促进技术交流和贸易合作。

焊钉外观焊接检验标准.png

展望未来,随着电弧螺柱焊技术的不断发展和应用领域的不断扩展,GB/T 10433标准可能进一步更新和完善,以适应新的技术需求和市场变化。同时,中国标准与国际标准的协调性也将进一步增强,推动全球电弧螺柱焊行业的技术进步和质量提升。

企业应密切关注标准的更新动态,及时调整生产和技术体系,确保产品符合最新的标准要求。同时,企业也应积极参与标准的制定和修订工作,提出实际应用中的经验和需求,推动标准的完善和进步。

圆柱头焊钉焊接详图.jpg